Банное и отопительное оборудование г. Анапа, ул. Краснодарская, 32А E-mail: belyikv@yandex.ru

Чугунные дровяные печи

Поставить в доме классическую печь — дело совсем не простое. Давно уже существуют дровяные отопительные агрегаты — печи и печи-камины, так называемые «буржуйки», которые продаются практически готовые к эксплуатации. Купил, привез, установил (без какого-либо фундамента, прямо на пол), трубу установил и грейся на здоровье! От знаменитой «буржуйки» начала прошлого века их отличает, прежде всего, материал — изготовлены они из высококачественного чугуна.

Второе отличие — в топочной дверке имеется окно, которое и придает этим печам качества камина. Через такую дверку вы можете наблюдать за открытым пламенем в своё удовольствие, не задумываясь о какой бы то ни было опасности. Стекла дверок выполняются из устойчивой к воздействию высоких температур и прямого пламени кристаллокерамики. Беспокоиться о том, что стекло закоптится, не приходится — почти во всех печах применены конструктивные решения, защищающие поверхность стекла от осаждения копоти. В основном это воздушная защита. Воздух в топку поступает только через специальные отверстия сверху и снизу от стекла, создавая тем самым перед ним воздушный барьер. Этот воздушный барьер как бы отталкивает дым к задней стенке топки, значительно уменьшая загрязнение стекла продуктами горения, что и позволяет любоваться пламенем во всей его красе. Владельцам таких печей практически не придется заниматься такими неприятными процедурами, как удаление копоти или промывка. Дверцы печей могут изготавливаться и без стекла.

К таким печам предъявляются следующие требования. Во-первых, печь должна быть очень долговечной, и потому желательно, чтобы она была чугунной (ведь недаром именно из чугуна практически во все времена изготавливались металлические закладные элементы классических кирпичных пе-Чей). Во-вторых, она должна очень быстро прогревать дом (именно дом, а не только помещение, в котором установлена). В-третьих, быть экономичной (чтобы ей на 8 часов горения хватало приблизительно пяти поленьев). Дизайн таких печей может быть как классическим, так и современным. И в классическом, и в современном варианте литая поверхность стенок украшается рельефными узорами. И такое украшение стенок — отнюдь не дань красоте или моде. Делается это, прежде всего, для того, чтобы увеличить площадь поверхности стенок. В отличие от классических печей и обычных каминов эти печи греют в основном воздух. И греется он, прежде всего, о стенки печи (широко известное явление конвекции воздуха вдоль любой нагретой поверхности). Для того, чтобы усилить этот процесс, стенки корпуса печей делаются не одинарными, а двойными. Холодный воздух засасывается в специальные «щели» в нижней части корпуса, нагревается, проходя между стенками, и через «щели» в верхней части выходит в помещение уже теплым. Чем больше площадь поверхности стенок, тем быстрее и сильнее будет нагреваться воздух. Этой цели, прежде всего, и служат барельефы на поверхности стенок.

Есть и еще один путь ускорения нагрева воздуха — в печах устанавливаются одно- и двухскоростные вентиляторы, организующие уже не естественный, а принудительный проток воздуха вдоль стенок печи. Такие печи прогревают помещения еще быстрее, чем печи без вентиляторов.

Некоторые модели «конвекционных» отопительных печей имеют очень высокий КПД— от 60 до 80%. Для достижения такого показателя печи снабжаются регулировкой подачи воздуха. При уменьшении подачи воздуха скорость горения снижается и резко увеличивается время горения закладки дров (дверка печи закрывается очень плотно й воздух в камеру горения поступает только через механизм регулируемого поддувала). Это позволяет регулировать интенсивность горения и увеличивать время сжигания одной закладки дров до 8-12 часов. Применение регулировки подачи воздуха снижает и скорость движения отходящих газов, благодаря чему корпус камина гораздо быстрее прогревается, а количество тепла, безвозвратно потерянного в атмосферу, резко снижается. То есть тепло в этих печах «в трубу» практически не вылетает, а расходуется только на нагрев стенок и, как следствие, воздуха, обогревающего помещение. Некоторые печи футеруются шамотными материалами, что обеспечивает длительную постепенную отдачу тепла. Для повышения КПД в таких конструкциях есть много других нововведений, например, производится возврати дожигание отходящих газов. Они сначала нагреваются, а затем возвращаются в камеру сгорания, где происходит их повторное воспламенение, и, как следствие, практически полное сгорание. Кстати, это обеспечивает не только значительное повышение их КПД, но существенно снижает и экологический вред, который наносят окружающей среде обычные печи и камины.

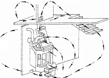
Схема работы «конвекционной» отопительной печи

Ряд моделей имеет дополнительные функциональные свойства, например, плиту для приготовления пищи, регулировку по высоте над полом, а также снабжаются специальной подставкой из теплоизоляционного материала.

В качестве топлива в печах-каминах в основном используются дрова, но есть модели, в которых может использоваться торф, бурый и каменный уголь, а в некоторых даже мазут.

Лучшее топливо для камина — не содержащая смолы древесина. В ее состав в основном входят водород и углерод. При полном сгорании водорода образуется водяной пар, а при полном сгорании углерода — углекислый газ. Избыток влаги и углекислоты вместе с дымом уносится в атмосферу.

На Западе используются еще и специально изготовленные брикеты бурого угля и торфа. Но пока мы топим дровами, следует соблюдать основанные на долгом житейском опыте правила:

 

  • толщина всех поленьев должна быть примерно одинакова и равна 6-10 см;
  • укладывают их в топку горизонтально и следят, чтобы между поленьями были воздушные зазоры до 1 см;
  • высота кладки 25-30 см.

Если пачку газет высотой 10-15 см положить в топку камина или «буржуйки» на тлеющие угли, закрыть дверцу и увеличить силу тяги, «пресса» будет гореть 4-6 часов и при этом выделит 1-3 кВт тепловой энергии. Надо только отрегулировать горение так, чтобы оно проходило очень медленно, внутри пачки. Старые журналы для этого непригодны.

Для установки печи-камина нужен металлический дымоход диаметром от 125 до 150 мм (в зависимости от модели). Такие дымоходы не только значительно легче традиционных, но и значительно проще при прокладке. Современный рынок предлагает их достаточно широкий ассортимент.

Требования к установке, практически такие же, как для классических печей и каминов. Поскольку стены печей при работе имеют относительно высокую температуру, их следует устанавливать на определенном расстоянии от стен и мебели. Идеальным же решением является обустройство специально выделенного места для печи. Его можно красиво отделать кирпичом, камнем, керамикой, что создаст не только «площадку безопасности» но и позволит красиво выделить печь в интерьере (например, создать имитацию камина).

Самое удобное место для печи или камина — та комната, в которой чаще всего проводят свободное время. При необходимости с помощью одной печи можно обогревать весь дом. Для этого необходимо правильно выбрать место её расположения. Если в доме (квартире) единое жизненное пространство (то есть пространство не разделено, и нет никаких препятствий для свободной циркуляции тепла), то лучше всего расположить в центре дома. Отопительный прибор, в таком случае, сам обеспечит равномерное распределение тепла. ]

Этот случай почти идеальный и встречается крайне редко. Поставить печь в центре дома невозможно, поскольку пространство дома, как правило, разделено на несколько небольших помещений. В этом случае придется устанавливать печь в одной из комнат, но при этом заставить тепло циркулировать по остальным помещениям. Для этого существует несколько путей.

Первый, и наиболее простой путь (но не всегда самый эффективный) — организовать естественную его циркуляцию. Если внутреннее пространство дома спланировано так, что можно пройти от места установки печки через все комнаты и вновь вернуться к печке, то тепло точно так же сможет циркулировать по всему этажу.

Второй путь технически более сложен, но и более эффективен — циркуляция тепла стимулируется при помощи леньких вентиляторов, которые помогут перенести тепло из одной комнаты в другую. Эти вентиляторы лучше располагать в углах косяков дверей, и прочих не бросающихся в глаза местах. Если установить вентиляторы в потолке, то можно организовать циркуляцию тепла не только по одному этажу, но и передать тепло с нижнего этажа на верхний.

Использовать для этих целей можно как специальные вентиляторы, так и обычные вентиляторы для кухонной вытяжки. Для того чтобы теплый воздух не скапливался под потолком комнаты стоит использовать потолочный вентилятор или люстру с «пропеллером».

Печи подбираются, исходя из производительности: объем, который печь способна обогреть, указан на каждой модели. В некоторых случаях продавцы, чтобы покупателю было проще сориентироваться, указывают площадь, которую способна обогреть печь. Делается это обычно путем пересчета объема на площадь, исходя из стандартной высоты потолков в доме (2,5-3 метра). Некоторые производители указывают в паспортах и объем обогреваемого помещения и площадь, что значительно облегчает расчеты для покупателя. Необходимая мощность печи выбирается из расчета 1 кВт на 10 м2 (при потолках 2,5 м).

Простая схема нагрева воздуха

В начальный период (когда и дом, и печь холодные) обычно топят в интенсивном режиме, и примерно за час работы печи дом прогревается полностью (в домике 6x6 м температура с +5 до +20'С поднимается примерно за 40 минут). После этого можно переходить на менее интенсивный режим (режим экономного горения). Большинство печей переводится в этот режим вручную, а, например, американские печи могут в этот режим перейти сами — для этого в них используются специальные биметаллические датчики температуры. В зависимости от температуры такой датчик меняет свои линейные размеры, благодаря чему приоткрывает или наоборот прикрывает шибер (заслонку поддувала). Благодаря уменьшению притока воздуха снижается интенсивность горения, и, следовательно, уменьшается количество выделяемого тепла.

Печь-камин от уже рассмотренной выше «просто печи» по внешнему виду отличается, прежде всего, тем, что у неё три стороны (кроме лицевой) художественно не оформлены. Кроме того, топочная часть у «просто печи» значительно меньше, т.к. печи все-таки рассчитаны на медленное горение и обогрев помещения. То есть печи — это более функциональные устройства, в меньшей степени рассчитанные на внешний эффект. У камина все наоборот — рассчитан он на внешнее восприятие, и, прежде всего, на восприятие эффекта пламени сидящим перед ним человеком, и потому топочная часть у него значительно больше. Камин предназначен для открытого огня и дверка у него закрывается только для безопасности. Их можно топить и с открытой дверкой, поэтому конструкция рассчитана так, чтобы дым, не попадая в помещение, уходил только в трубу. Для достижения большей тяги у печей и каминов дымоход делается большего, чем у «просто печей» диаметра. Поддон для сбора золы у них тоже больше, т.к. они больше сжигают дров.

Каминная топка, поскольку она не предназначена для обогрева помещения — это вариант, предусмотренный для того, чтобы посидеть вечером у открытого огня. Если просто установить каминную топку, присоединить к ней дымоход и начать топить, то тепла действительно получится ровно столько, сколько идет от самого очага. Остальное «вылетит в трубу». Если обложить каминную топку кирпичом, то тепла в доме это тоже не добавит. Кирпич от горячего камина нагревается очень мало, и потому попытка за счет увеличения массы камина повысить количество аккумулируемого тепла, как правило, безуспешна.

Если каминную топку не обкладывать кирпичом, а создать ей внешнюю облицовку (независимо оттого, из какого материала она делается), выполняющую роль дополнительного кожуха., то топка может дать тепла практически столько же, сколько дают рассмотренные выше печи. Схема движения воздуха, между облицовкой и стенками печи должна быть практически такой же, как в обогревательной печи: холодный воздух засасывается снизу, затем, проходя между облицовкой и стенкой каминной топки, нагревается и выходит в помещение через верхнее вентиляционное отверстие.

Схема печи - камина с принудительной циркуляцией воздуха

Более сложной инженерной конструкцией является камин с принудительной циркуляцией воздуха. К выходному от иерстию каминной облицовки присоединяются воздуховоды, и с их помощью делается разводка теплого воздуха во все комнаты. Для того чтобы заставить теплый воздух двигаться по воздуховодам в необходимом направлении используют мощный вентилятор.

Если длина воздуховодов велика, то применяют уже не вентилятор, а специальное приспособление — своего рода компрессор, который может создать теплому воздуху такое давление, что протолкнет его по трубе любой длины и в результате подаст в любое из помещений дома.

Облицовка камина практически не греется. Её температура ниже, чем температура нагреваемого воздуха. Нагрев для каминной облицовки вреден. Если облицовка камина, например, мраморная, то при регулярном попеременном нагревании и охлаждении через год-другой она разрушится. Любую облицовку надо максимально теплоизолировать, чтобы она прожила как можно дольше.

Для того чтобы безошибочно выбрать модель соответствующую именно вашим конкретным условиям эксплуатации, необходимо четко сформулировать сначала для себя, а потом и для продавца следующие критерии: для каких целей будет использоваться приобретаемое изделие: обогревать (периодически или постоянно), готовить еду и т.д. или это будет в основном «декоративный» агрегат (когда в доме и так достаточно тепло, но хочется посидеть у огонька).

Если агрегат приобретается для отопления небольшого летнего дома, то необходимо знать следующие данные: какой дом — каменный или деревянный, и как выполнена его теплоизоляция; объем помещений (площадь и высоту потолков); условия эксплуатации. По этим критериям квалифицированный продавец поможет выбрать подходящий отопительный агрегат.

Если же вы приобретаете агрегат, в основном ради декора гивных целей, то долго не мучайтесь с выбором — подойдет агрегат минимальной мощности, но обязательно большой по размерам.

Похожие материалы:

Информация